Page 193 - B2B katalog 05_2024_Novaservis
P. 193

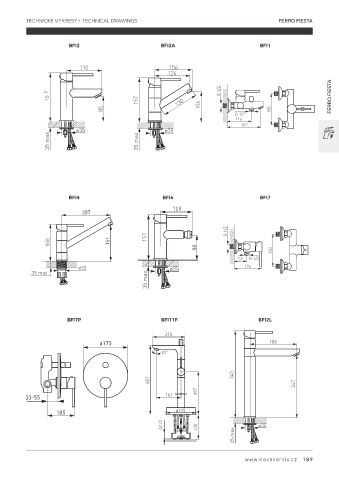
TECHNICKÉ VÝKRESY •  TECHNICAL DRAWINGS                                                  FERRO FIESTA



                         BFI2                             BFI2A                             BFI1






                                                                                                                     FERRO FIESTA























                         BFI4                             BFI6                              BFI7

























                         BFI7P                            BFI11F                            BFI2L



                                    ø170










          33-55


                     105








                                                                                        www.novaservis.cz           189
   188   189   190   191   192   193   194   195   196   197   198